Артикул: 01220.0-00.2
Гигростат MFR 012, арт. 01220.0-00.2 Термостатоф
Диапозон настройки
Цена с НДС
3 253 ₽
Наличие
На складе — 40 шт.
- Поставка 31.08 — 50 шт.
- По заказу — срок требует уточнения
Описание
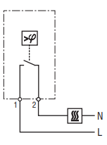
Механический гигростат MFR 012 Термостатоф контролирует относительную влажность воздуха в электротехнических шкафах, и включает нагреватель при достижении установленных значений, благодаря этому предотвращается конденсация влаги в шкафу. Встроенный в кнопку настройки светодиод светится, если подключенные нагреватели работают.
Особенности
Технические данные
| Разность температур переключения¹ | 4 % отн. вл. (± 3 % Погрешность) |
|---|---|
| Допустимая скорость движения воздуха | 15 м/с |
| Тип контакта | переключающий контакт |
| Срок службы | > 50.000 циклов |
| Мин. коммутационная способность | AC/DC 20 В, 100 мА |
| Макс. коммутационная способность |
AC 250 В, 5 A DC 20 Вт |
| Подключение |
3-полюсный терминал, максимальный момент затяжки 0,5 Нм: жесткий провод 2,5 мм² (AWG 14) многожильный провод1 1,5 мм² (AWG 16) |
| Крепление | зажим для DIN шины 35 мм, согл. EN 60715 |
| Корпус | пластмасса UL94 V-0, светло-серая |
| Габариты | 67 x 50 x 38 мм |
| Вес | прибл. 60 г |
| Монтажное положение | любое |
| Температура эксплуатации/хранения | от 0 до +60 °C (от +32 до +140 °F) / от -40 до +60 °C (от -40 до +140 °F) |
| Влажность при эксплуатации/хранении | макс. 95 % RH (без образования конденсата) |
| Степень защиты | IP20 |
| Допуски | UL File No. E164102, EAC |
¹ при 50 % отн. вл.
² При подключении многожильным проводом должны быть использованы наконечники.
Документы
| Арт. № | Диапазон настройки |
|---|---|
| 01220.0-00.2 | 35 до 95 % отн. вл. |