Описание
Нагреватели для электрощита Термостатофф HVL 031 100 Вт от Термостатоф предотвращает образования конденсата и замерзания, и обеспечивает равномерное распределение температуры внутри шкафа с электрическими/электронными компонентами. Нагреватель с вентилятором предлагается, как в исполнениях без осевого вентилятора (HV 031), так и со встроенным осевым вентилятором (HVL 031).
Особенности
Технические данные
| HV 031 | нагреватель без вентилятора (включая монтажный комплект для вентилятора) |
|---|---|
| HVL 031 | нагреватель с вентилятором |
| Нагревательный элемент | мощный резистор |
| Температурное защитное выключение | для защиты от перегрева при отказе вентилятора, автоматический повторный запуск |
| Радиатор | алюминиевое литье (обработка стекл. шариками) |
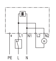
| Подключение | 3-полюсный зажим 2,5 мм², макс. зажимной закручивающий момент 0,8 Нм |
| Корпус для соединений | пластмасса UL94 V-0, черная |
| Крепление | зажим для шины 35 мм, согл. DIN EN 60715 |
| Монтажное положение | вертикальный воздушный поток воздуха (направление вверх) |
| Температура эксплуатации/хранения | от -45 до +70 °C (от -49 до +158 °F) |
| Влажность при эксплуатации/хранении | макс. 90 % RH (без образования конденсата) |
| Степень защиты/класс защиты | IP20 / I (провод заземления) |
| Допуски | UL File No. E187294, EAC, 230 В вариант: VDE |
| только HVL 031 | производительность см. таблицу |
| Осевой вентилятор на шарикоподшипниках | срок службы 50.000 ч при +25 °C (+77 °F) |
| Подключение (вентилятор) | 2-полюсный зажим 2,5 мм² (L2/N2) |
Документы
| Арт. № HVL 031 | Арт. № HVL 031 | Мощность нагрева |
Рекомендованый входной предохранитель Т |
Производительность при свободном нагнетании |
Габариты | Вес (прибл.) | |
|---|---|---|---|---|---|---|---|
| AC 230 В, 50/60 Гц | AC 120 В, 50/60 Гц | AC 230 В | AC 120 В | ||||
| 03102.0-00.2 | 03102.9-00.2 | 100 Вт | 1,0 А | 2,0 A | 35 м³/ч | 80 x 112 x 47 мм | 0,6 кг |
| 03103.0-00.2 | 03103.9-00.2 | 150 Вт | 1,25 А | 2,5 A | 35 м³/ч | 80 x 112 x 47 мм | 0,6 кг |
| 03113.0-00.2 | 03113.9-00.2 | 200 Вт | 2,0 А | 3,0 A | 108 м³/ч | 119 x 151 x 47 мм | 0,9 кг |
| 03114.0-00.2 | 03114.9-00.2 | 300 Вт | 2,0 А | 4,0 A | 108 м³/ч | 119 x 151 x 47 мм | 0,9 кг |
| 03115.0-00.2 | 03115.9-00.2 | 400 Вт | 4,0 А | 6,3 A | 108 м³/ч | 119 x 151 x 47 мм | 0,9 кг |